,http://m.robam.net.cn/">


1、電源連接導線不小于6mm2的多股銅線,接地連接線不小于10mm2的多股銅線。連接線應盡量的短、直、粗。
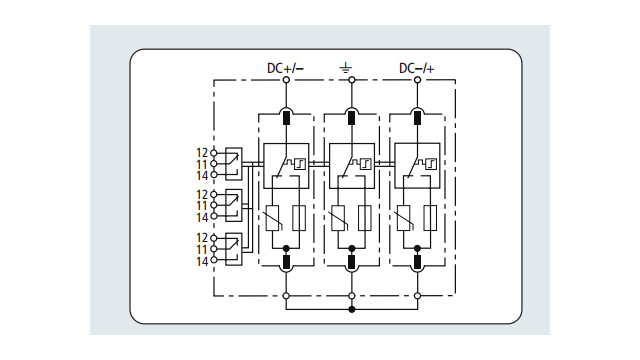
2、防雷器前端應串聯合適的后備保護器、熔斷器或空開。
1、安裝時必須斷開電源,嚴禁帶電操作,連接導線必須符合要求。
2、安裝完畢后將防雷模塊插入到位,檢查工作是否正常。
3、防雷器無須特別維護,只需定期檢查其連接是否有松動,狀態指示是否正常。
咨詢熱線
400-0571-185